|
Есть вопросы? Наши квалифицированные специалисты готовы проконсультировать вас. Пишите свои вопросы или отправляйте заявку на нашу почту: gt@gigaterm.ru |
Задать вопрос
|
Доставка - по тарифу ТК
Технические характеристики преобразователя давления ДДМ-03
| Предельные значения выходного сигнала постоянного тока, мА | 4 – 20 |
| Напряжение питания датчика, постоянный ток, В | = 24±6 |
| Нагрузочное сопротивление датчика должно быть в пределах | от 1 до 500 |
| Предел допускаемой основной погрешности датчика, выраженный в % от диапазона измерения выходного сигнала, не более | ±0,5 |
| Дополнительная температурная погрешность на каждые 10°С изменения температуры в пределах рабочего диапазона %, не более | ±0,45 |
| Потребляемая датчиком мощность, Вт не более | 0,6 |
| Климатическое исполнение УХЛ для категории размещения 3.1 по ГОСТ 15150-69 | |
| ДДМ-03-ДИ (ДВ, ДИВ) | от — 40°С до 80°С |
| Температура рабочей среды | от — 40°С до 85°С |
| Степень защиты по ГОСТ 14254-80 | IP65 |
| Наработка на отказ, час | 80 000 |
Исполнения
|
№ п/п |
Тип |
Модель |
Предел измере- ний кПа |
Перегрузка кПа |
Рабочее давление МПа |
|
1 |
Датчик избыточного давления ДДМ-03-ДИ; ДДМ-03-ДИ-Ех |
ДДМ-03-40 ДИ ДДМ-03-40 ДИ-Ех |
40 |
80 | |
|
2 |
ДДМ-03-60 ДИ ДДМ-03-60 ДИ-ЕХ |
60 |
120 | ||
|
3 |
ДДМ-03-100 ДИ ДДМ-03-100 ДИ-Ех |
100 |
200 | ||
|
4 |
ДДМ-03-160 ДИ ДДМ-03-160 ДИ-Ех |
160 |
320 | ||
|
5 |
ДДМ-03-250 ДИ ДДМ-03-250 ДИ-Ех |
250 |
500 | ||
|
6 |
ДДМ-03-400 ДИ ДДМ-03-400 ДИ-Ех |
400 |
800 | ||
|
7 |
ДДМ-03-600 ДИ ДДМ-03-600 ДИ-Ех |
600 |
1200 | ||
|
8 |
ДДМ-03-1000 ДИ ДДМ-03-1000 ДИ-Ех |
1000 |
2000 | ||
|
9 |
ДДМ-03-1600 ДИ ДДМ-03-1600 ДИ-Ех |
1600 |
3200 | ||
|
10 |
ДДМ-03-2500 ДИ ДДМ-03-2500 ДИ-Ех |
2500 |
5000 | ||
|
11 |
Датчик вакуума ДДМ-03-ДВ; ДДМ-03-ДВ-Ех |
ДДМ-03-40 ДВ ДДМ-03-40 ДВ-Ех |
-40 |
-100 | |
|
12 |
ДДМ-03-60 ДВ ДДМ-03-60 ДВ-Ех |
-60 |
-100 | ||
|
13 |
ДДМ-03-100 ДВ ДДМ-03-100 ДВ-Ех |
-100 |
-100 | ||
|
14 |
Датчик абсолютного давления ДДМ-03-ДА; ДДМ-03-ДА-Ех |
ДДМ-03-160 ДА ДДМ-03-160 ДА-Ех |
0-160 |
320 | |
|
15 |
ДДМ-03-250 ДА ДДМ-03-250 ДА-Ех |
0-250 |
500 | ||
|
16 |
ДДМ-03-400 ДА ДДМ-03-400 ДА-Ех |
0-400 |
800 | ||
|
17 |
ДДМ-03-600 ДА ДДМ-03-600 ДА-Ех |
0-600 |
1200 |
Высокоточные приборы, предназначенные для контроля и регистрации давления жидкостей и газов в промышленных системах, преобразуют механическое воздействие в электросигнал (4-20 мА) для цифровых интерфейсов. Купить датчики давления ДДМ 03 по доступной цене вы можете в компании «Гигатерм». Мы реализуем сертифицированную продукцию с гарантией качества.
Сфера использования датчиков давления ДДМ 03
Приборы применяются во множестве отраслей:
- скважины в нефтегазовой промышленности;
- ТЭЦ;
- гидро- и газотурбинное оборудование;
- топливосистемы;
- насосные станции в водоснабжении;
- фильтрационные установки;
- гидравлические прессы в металлургии и т.д.
Особенности датчиков давления ДДМ 03
Оборудование совместимо с большинством промышленных контроллеров. Преобразует избыточное и абсолютное давление, разрежение. Предназначено для газов и жидкостей в широком температурном диапазоне от -40 до +125 °C, изготавливаются исполнения с защитой от взрывов. Срок службы составляет до 10 лет с двухлетним межповерочным интервалом. Подобрать оборудование помогут наши менеджеры – обращайтесь по телефону или онлайн.
Видеообзор датчика ДДМ-03, ДДМ-03-Ех
Схема внешних подключений

Схема подключения датчика ДДМ-03 общепромышленного исполнения на объекте

Схема подключения датчика ДДМ-03-Ех на объекте с применением взрыво-защищенного источника питания

Схема подключения датчика ДДМ-03-Ех на объекте с применением барьера искрозащиты
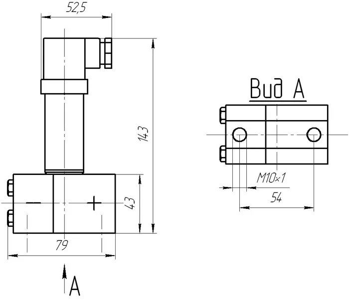
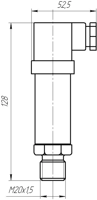
Габаритные и установочные размеры

ДДМ-03-ДД, ДДМ-03-ДД-Ех
ДДМ-03-ДИ, ДВ, ДИВ, ДДМ-03-ДИ, ДВ, ДИВ-Ех
Технические характеристики преобразователя давления ДДМ-03
| Предельные значения выходного сигнала постоянного тока, мА | 4 – 20 |
| Напряжение питания датчика, постоянный ток, В | = 24±6 |
| Нагрузочное сопротивление датчика должно быть в пределах | от 1 до 500 |
| Предел допускаемой основной погрешности датчика, выраженный в % от диапазона измерения выходного сигнала, не более | ±0,5 |
| Дополнительная температурная погрешность на каждые 10°С изменения температуры в пределах рабочего диапазона %, не более | ±0,45 |
| Потребляемая датчиком мощность, Вт не более | 0,6 |
| Климатическое исполнение УХЛ для категории размещения 3.1 по ГОСТ 15150-69 | |
| ДДМ-03-ДИ (ДВ, ДИВ) | от — 40°С до 80°С |
| Температура рабочей среды | от — 40°С до 85°С |
| Степень защиты по ГОСТ 14254-80 | IP65 |
| Наработка на отказ, час | 80 000 |
Исполнения
|
№ п/п |
Тип |
Модель |
Предел измере- ний кПа |
Перегрузка кПа |
Рабочее давление МПа |
|
1 |
Датчик избыточного давления ДДМ-03-ДИ; ДДМ-03-ДИ-Ех |
ДДМ-03-40 ДИ ДДМ-03-40 ДИ-Ех |
40 |
80 | |
|
2 |
ДДМ-03-60 ДИ ДДМ-03-60 ДИ-ЕХ |
60 |
120 | ||
|
3 |
ДДМ-03-100 ДИ ДДМ-03-100 ДИ-Ех |
100 |
200 | ||
|
4 |
ДДМ-03-160 ДИ ДДМ-03-160 ДИ-Ех |
160 |
320 | ||
|
5 |
ДДМ-03-250 ДИ ДДМ-03-250 ДИ-Ех |
250 |
500 | ||
|
6 |
ДДМ-03-400 ДИ ДДМ-03-400 ДИ-Ех |
400 |
800 | ||
|
7 |
ДДМ-03-600 ДИ ДДМ-03-600 ДИ-Ех |
600 |
1200 | ||
|
8 |
ДДМ-03-1000 ДИ ДДМ-03-1000 ДИ-Ех |
1000 |
2000 | ||
|
9 |
ДДМ-03-1600 ДИ ДДМ-03-1600 ДИ-Ех |
1600 |
3200 | ||
|
10 |
ДДМ-03-2500 ДИ ДДМ-03-2500 ДИ-Ех |
2500 |
5000 | ||
|
11 |
Датчик вакуума ДДМ-03-ДВ; ДДМ-03-ДВ-Ех |
ДДМ-03-40 ДВ ДДМ-03-40 ДВ-Ех |
-40 |
-100 | |
|
12 |
ДДМ-03-60 ДВ ДДМ-03-60 ДВ-Ех |
-60 |
-100 | ||
|
13 |
ДДМ-03-100 ДВ ДДМ-03-100 ДВ-Ех |
-100 |
-100 | ||
|
14 |
Датчик абсолютного давления ДДМ-03-ДА; ДДМ-03-ДА-Ех |
ДДМ-03-160 ДА ДДМ-03-160 ДА-Ех |
0-160 |
320 | |
|
15 |
ДДМ-03-250 ДА ДДМ-03-250 ДА-Ех |
0-250 |
500 | ||
|
16 |
ДДМ-03-400 ДА ДДМ-03-400 ДА-Ех |
0-400 |
800 | ||
|
17 |
ДДМ-03-600 ДА ДДМ-03-600 ДА-Ех |
0-600 |
1200 |

