|
Есть вопросы? Наши квалифицированные специалисты готовы проконсультировать вас. Пишите свои вопросы или отправляйте заявку на нашу почту: gt@gigaterm.ru |
Задать вопрос
|
Монтажно-сварочные работы по установке прямых участков расходомера обязательно проводить с использованием МВ. Монтажная вставка дублирует габаритные размеры расходомера и предназначается для замещения прибора:
- при производстве монтажно-сварочных работ на трубопроводе;
- при демонтаже расходомера для проведения ремонта или поверки.
|
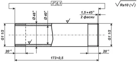
ВНИМАНИЕ! 1. Монтажная вставка не входят в комплект поставки расходомера, и поставляется по дополнительному заказу. 2. Запрещается использовать расходомер в качестве монтажной вставки при проведении сварочных работ на трубопроводах. Вид МВ для КАРАТ-РС-50, -50М, -80, -100, представлен на рисунке |
Вид МВ для КАРАТ-РС-50, -50М, -80, -100, представлен на рисунке
|
Исполнение расходомера |
Параметры МВ для фланцевого расходомера, мм |
|||||||
|
L1 |
L2 |
D1 |
D2 |
D3 |
D4 |
D5 |
D6 |
|
|
КАРАТ-РС-50 |
22 |
18 |
50 |
57 |
160 |
88 +0,35 |
72 -0,30 |
125 |
|
КАРАТ-РС-50М |
22 |
18 |
50 |
57 |
160 |
88 +0,35 |
72 -0,30 |
125 |
|
КАРАТ-РС-80 |
25 |
21 |
80 |
89 |
195 |
121+0,40 |
105 -0,35 |
160 |
|
КАРАТ-РС-100 |
25 |
21 |
100 |
108 |
215 |
? |
? |
180 |
Вид МВ для расходомеров КАРАТ-РС-20, -32 изображен на рисунке:
